Gå til hovedindhold Spring til søgning Gå til hovednavigation
Gratis forsendelse fra 2975 Kr.
Servicepartner for over 50 producenter
Over 40.000 reservedele i sortimentet
+10 års erfaring

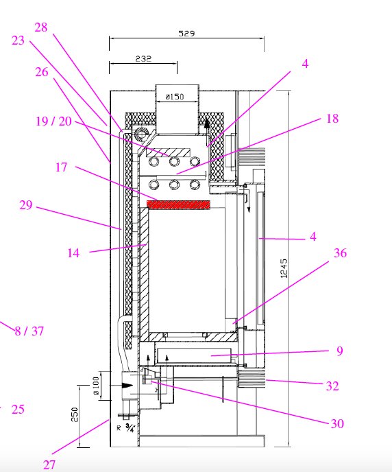
Wamsler Aquarello røgvenderplade

røgvenderplade /  vendeplade / venderplade / røgvendeplade

 

Produktinformation "Wamsler Aquarello røgvenderplade"

original røgvenderplade til brændeovn Wamsler Aquarello KF 108

Wamsler Aquarello KF 108 røgvenderplade nøgledata:

  • vendeplade, røgvendeplade
  • vermiculit sten
  • mål (B/L/H) 222 mm x 328 mm x 30 mm
  • materiale vermiculit
  • position 17 i den eksploderede visning
Eigenschaften "Wamsler Aquarello røgvenderplade"
Leverandør: Wamsler
Typ 2: KF 108
materiale: vermiculit
modell: Aquarello
type af reservedel: røgvenderplade

Leverandør

Wamsler


DE

Lignende produkter

Udsolgt
Wamsler Aquarello glas
original glas til brændeovn Wamsler Aquarello KF 108 Producenten har indstillet produktionen af denne vare. Hvis vi har et restlager, kan du få denne reservedel hos os. Wamsler Aquarello KF 108 glas nøgledata: glaskeramik, dørglas mål (B/L/H) 257 mm x 458 mm x 5 mm materiale glas form buet varmebestandig position 3 i den eksploderede visning
Produktnummer: 01007116

2.708,61 kr.*¹

ikke længere tilgængelig, produktion indstillet

Wamsler Aquarello rysterist
original rysterist til brændeovn Wamsler Aquarello KF 108 Wamsler Aquarello KF 108 rysterist nøgledata: støbejernsrist, brandkammerrist mål (B/L/H) 148 mm x 207 mm x 16 mm materiale støbning form rektangulær position 10 i den eksploderede visning
Produktnummer: 01007122

1.187,74 kr.*¹

Leveringstid ca. 5-6 uger

Wamsler Aquarello dørpakning sæt
dørpakning sæt til brændeovn Wamsler Aquarello KF 108 4-styks sæt Wamsler Aquarello KF 108 dørpakning nøgledata: tætningsbånd, tætningssnor ledningsforsegling Længde 2,80 m Diameter 12 mm Klæbende nøgledata: 1 styk 17 ml varmebestandig Pakningsbinder Nøgledata: 4 stykker varmeresistent
Produktnummer: 01014710

Indhold: 2.8 meter (107,79 kr.*¹ / 1 meter)

301,80 kr.*¹

Tilgængelig, leveringstid: 4-6 dage

Wamsler Aquarello pakning glas
pakning glas til brændeovn Wamsler Aquarello KF 108 Wamsler Aquarello KF 108 pakning glas nøgledata: glaspakning, pakningssnor flad pakning mål (B/H) 10 mm x 2 mm længde 2,00 m selvklæbende
Produktnummer: 01014741

Indhold: 2 meter (82,46 kr.*¹ / 1 meter)

164,91 kr.*¹

Tilgængelig, leveringstid: 4-6 dage

Wamsler Aquarello skamolsæt
original skamolsæt til brændeovn Wamsler Aquarello KF 108 10-styks sæt Wamsler Aquarello KF 108 skamolsæt nøgledata: 10 stk Forbrændingskammerforing, forbrændingskammermursten Materiale vermiculit Slibesten foran (213 x 45 x 30 mm), slebet sten bagside (100 x 210 x 30 mm) Nederste sten til venstre (290 x 45 x 30 mm), nederste sten til højre (290 x 45 x 30 mm) Sidesten venstre foran (218 / 230 x 470 x 30 mm), sidesten højre foran (218 / 230 x 470 x 30 mm) Sidesten venstre bag (70/48 x 470 x 30 mm), sidesten højre bag (70/48 x 470 x 30 mm) Bagvægssten (240/262 x 470 x 30 mm) Kabelafbøjning under (328 x 224 x 30 mm)
Produktnummer: 01015717

2.685,94 kr.*¹

Leveringstid ca. 5-6 uger